机床网
三爪超精密气压夹头TK系列
产地:台湾
品牌:其他
编码:TK系列
生产企业:千岛精密工业股份有限公司
TK系列三爪超精密气压夹头

TK系列三爪超精密气压夹头

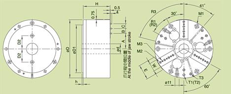
1.孔及预留自动润滑管道:爪壳预设治具孔,有额外固定需要 时不须再追加加工;且预留自动润滑管道,可与自动润滑装置连结。
2.式汽缸:汽缸与夹盘直结设计,确保作动及夹持的稳定性。
3.精密定位:设有定位销使生爪在重复拆装时仍保持良好的定位精度。
4.精度夹持提高工作效率:夹持工件的同轴度及重覆夹持精度可达 μ级,简化操作,实现高效率的精密加工。

尺寸图:

转载请标注来源158机床网
  • 开式固定台压力机 - J21-80B 开式固定台压力机 - J21-80B,J21-80B,金属加工机械 - 机械压力机,北京锻压机床厂,开式固定台压力机 - J21-80B价格及其他相关信息
  • 滚刀刃磨床 适用于制造和修磨各种类型的精密直槽滚刀。
  • 龙门式光纤激光切割机3015、4020 特点:▲光纤激光器体积小,重量轻,工作位置可移动,占地面积小▲光纤激光器电-光转化效率高,转换效率达30%以上▲激光器运行时仅仅需要电能,不需要产生激光的额外气体,具有较低的运行和维护费用
  • VM-600L立式加工中心 VM-600L立式加工中心