182 1006 2835
159 1097 4236
欧美日机床
金切机床
锻压机床
电火花机床
二手机床
量具量仪
控制系统
机床附件
其他
全部机床分类
高端机床要闻
品牌企业要闻
新品推荐
行业资讯
热点新闻
机床知识
机床网
全部机床分类
高端机床要闻
品牌企业要闻
新品推荐
行业资讯
热点新闻
机床知识
服务热线
182 1006 2835
159 1097 4236
欧美日机床
金切机床
锻压机床
电火花机床
二手机床
量具量仪
控制系统
机床附件
其他
//www.art2phone.com
当前位置:
158机床网
-
行业资讯
-
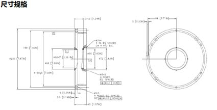
美国GPI公司9480H-18A系列角度编码器技术参数
美国GPI公司9480H-18A系列角度编码器技术参数
2017-10-09 09:34:10
【此文章原创来自于
158
机床网转载请注明出处】
转载请标注来源
158机床网
相关产品
MB4210Z立式珩磨机
158机床网——该立式珩磨机MB4210Z是由昆山昆江机床制造有限公司生产和销售的,昆山昆江机床制造有限公司的主要产品中包括立式珩磨机MB4210Z,昆山昆江机床制造有限公司所生产的立式珩磨机MB4210Z在市场中有一定的客户群,受到客户欢迎, 昆山昆江机床制造有限公司生产的其它珩磨机连杆品质优良。 请关注158机床网的相关信息。
全液压水平下调式三辊卷板机 - W11X-30×2000
全液压水平下调式三辊卷板机 - W11X-30×2000,W11X-30×2000,金属加工机械 - 弯曲校正机,上海市巨威剪折机床厂有限公司,全液压水平下调式三辊卷板机 - W11X-30×2000价格及其他相关信息
电源切断开关 - HZ12-25/07
电源切断开关 - HZ12-25/07,HZ12-25/07,金属加工机械 - 机床电器、功能部件,北京机床电器有限责任公司(原北京机床电器厂),电源切断开关 - HZ12-25/07价格及其他相关信息
开式固定台高性能压力机 - JL21-100A
开式固定台高性能压力机 - JL21-100A,JL21-100A,金属加工机械 - 机械压力机,扬州锻压机床有限公司,开式固定台高性能压力机 - JL21-100A价格及其他相关信息
立式VMC系列 FV-760
为您提供 杭州友佳精密机械有限公司 的产品
相关新闻
1、
徐州锻压新品JE25系列开式双点高性能压力机
2、
思瑞调整战略 连创佳绩
3、
方法总比问题多 打造不找借口找方法的一流员工
4、
财政补贴下的国内机器人产业可能已出现泡沫
5、
PLCopen电话
6、
AFC HARTMETALL 电话
7、
二手斯图特STUDER S20-2内外圆磨床翻新机
8、
日本牧野机床五轴卧式加工中心a500z介绍
9、
汉川机床厂龙门式五面加工中心大全
10、
出售:二手发那科机器人20公斤