182 1006 2835
159 1097 4236
欧美日机床
金切机床
锻压机床
电火花机床
二手机床
量具量仪
控制系统
机床附件
其他
全部机床分类
高端机床要闻
品牌企业要闻
新品推荐
行业资讯
热点新闻
机床知识
机床网
全部机床分类
高端机床要闻
品牌企业要闻
新品推荐
行业资讯
热点新闻
机床知识
服务热线
182 1006 2835
159 1097 4236
欧美日机床
金切机床
锻压机床
电火花机床
二手机床
量具量仪
控制系统
机床附件
其他
//www.art2phone.com
当前位置:
158机床网
-
热点新闻
-
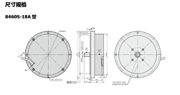
美国GPI公司8460-18A系列角度编码器技术参数
美国GPI公司8460-18A系列角度编码器技术参数
2017-09-30 09:32:43
【此文章原创来自于158机床网转载请注明出处】
转载请标注来源
158机床网
相关产品
铣夹头 - J7225/50
铣夹头 - J7225/50,J7225/50,金属加工机械 - 夹头,上海双峰机床附件厂,铣夹头 - J7225/50价格及其他相关信息
四联装116卡盘(兼容型)
SMT-24083 116兼容型卡盘四联组合使用(未涂层)(气动) 重复定位:单独使用<0.002mm;组合使用<0.005mm 夹持方式:弹簧力 打开气压:最小 6.5Pa 加持力:单独使用 10000N;组合使用 40000N SMT-24083-A(卡盘): 未热处理钢材 防锈 SMT-24082-B(底板): 热处理钢材 防锈 距离:安装距离 150mm 气动:2组开关控制4个卡盘 安装:A客户可自行打安装孔,直接安装于机床上
台湾永进加工中心FV56T-APC
台湾永进机械工业股份有限公司成立于1954年。咨询热线:010-89448003/89448313,13426014649/18600347990。 永进加工中心是模具行业最理想的选择!同时是台湾最顶尖的加工中心品牌!
数控六轴花键轴铣床YK6085
数控六轴花键轴铣床YK6085系我公司开发的大规格花键轴铣床,本机床采用滚铣法可加工各种齿型的直斜齿花键轴零件,及直斜齿联轴齿轮,并可以加工锥度花键及台阶齿轮。
插齿机
本机床用于加工内外啮合的直齿圆柱齿轮,特别适用于加工带有退刀槽的双联或多联齿轮。当有在插齿刀轴上装置螺旋导轨,并使用带有螺旋齿齿的插齿刀时,可以加工斜齿齿轮,如采用特殊刀具和专用夹具还可加工各种外形轮廓的工件和齿条。
相关新闻
1、
Tri-Tech硬质合金带锯条亮相CIMT2009
2、
数控等离子切割机|郑州优质数控切割机 华洋公司专业生产
3、
JB23-25吨冲床价格 JB23-35吨冲床价格 JB23-40吨冲床价格
4、
XK5036数控铣床进给伺服系统由进给电机和进给执行机构组成
5、
铸造木模雕刻机
6、
陈惠仁:对重大专项的市场化要有耐心
7、
思瑞测量在东莞DMP展成为亮点
8、
我国机床铸件业要扩大影响力及市场,抓住境外投资
9、
青海华鼎牵手北京铁路局合作开发铁路机床签约仪式
10、
上海笑宽自动化设备有限公司电话