
随着现代化工业的发展,金属加工中碰到的奇形怪状的产品已不足为鲜,要想加工这些产品,最大的难题就是怎样去夹持,因为加工只要有刀具,有机床就可以实现,但夹持就要相对难办,夹具在金属加工中起到了至关重要的作用,首先,一个好的夹具,必须要满足能够有效夹持,其次还有夹持精度,效率,可靠性,以及使用寿命等等
卡盘作为一个夹具,在金属加工中几乎都会用到,而传统意义上的卡盘无非是手动卡盘,液压卡盘,气动卡盘等等,我们都比较熟知它的作用以及性能。
当我们碰到一个四方形的工件,我们可能首先会想到四爪卡盘,或者三爪卡盘加上特殊卡爪来夹持, 图1是一款液压四爪卡盘,图2是一款手动四爪卡盘,其实在加工中,如果产品的尺寸不是完全一致的情况下,四爪液压卡盘就会出现单爪的受力不一致,严重时就会夹不紧,而手动卡盘虽然用手动的方式可以实现每个爪的受力一致,但是操作起来就会很费时间,没有效率,如果碰到产品种类繁多的状况,液压卡盘还需要配多付卡爪,以满足夹持尺寸。
现在有一款卡盘可以实现液压驱动,四爪单爪可调,可以夹持任意形状的产品,它就是ROTA-4B。以四方形工件为例,首次装夹时调整好卡爪的位置,在后续批量加工中,无需再调整,因为这个卡盘是四爪联动,单爪可调的方式,当碰到下一批长方形的产品,首件产品调整好卡爪的位置,后续无需再调整,这样既方便,又提高了加工效率,而且节约了成本,无需为了多样产品而订购多付卡爪。

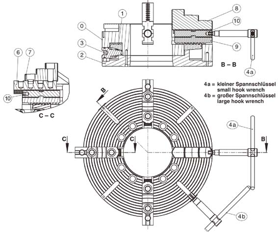
图4:卡盘示意图
有个产品如图3,外径是一个渐开线圆,工艺要求是夹持外圆加工内孔,而且种类较多,内孔与外形的公差较小,更换工件的频率较快,对于这样的渐开线外形,用手动四爪卡盘夹持,操作起来太慢,每次装上要打表校正中心,实在太浪费时间,用四爪液压卡盘夹持,由于更换频率的原因,也比较浪费时间,而采用四爪单爪可调式卡盘既解决了装夹慢的问题,又能保证其加工精度,问题得以解决。如图3。
另外,这款卡盘除了液压驱动外,还设计了全手动驱动的方式,如图4,ROTA CLASSIC-W在盘体的外围有4个驱动扳手孔,通过旋转扳手(4b),实现夹紧和松开,通过旋转扳手(4a),实现单爪可调。■